Customised Tech Solutions for Advanced Manufacturing

Our products Our Services

Capabilities

HPS collaborates with clients from early conceptual planning through feasibility, design, construction, and commissioning, delivering tailored engineering solutions.

About HPS

Founded in Geelong, Victoria, HPS Technologies has grown to become one of Australia’s leading providers of hygienic process engineering solutions, with operations now spanning New Zealand and the United States. As we expand into the American market, we bring proven expertise to support dairy, food, and beverage manufacturers across the U.S.

We specialize in end-to-end process engineering project’s, delivering tailored technology solutions that enhance product quality, operational efficiency, and scalability. Our core focus is on high-value protein extraction technologies, developed in-house through advanced R&D and laboratory innovation. Our proprietary systems empower processors to extract and purify proteins such as Lactoferrin, Immunoglobulin (IgG), and Beta-Enriched Whey, helping develop premium market products via our processes.

Recently, HPS successfully completed a state-of-the-art Lactoferrin production facility in the United States, showcasing our ability to deliver full turnkey, GMP-compliant solutions on a global scale.

With a strong foundation in process engineering and a commitment to hygiene, innovation, and performance, HPS Technologies is proud to support the evolving needs of the dairy and food processing industries.

With deep expertise across all facets of hygienic process manufacturing, HPS Technologies delivers specialized solutions for the dairy, beverage, brewery, food, liquid, and powder processing sectors. From greenfield concept design and feasibility studies to fabrication, construction, and turnkey project delivery, we provide end-to-end engineering services tailored to meet the specific needs of each industry.

Our proven Engineering, Procurement, Construction, and Management (EPCM) model ensures seamless execution across every stage of your project. We collaborate closely with clients to evaluate, design, and implement custom solutions that improve efficiency, integrate cutting-edge technology, and increase profitability.

HPS is engaged from the earliest project feasibility and design phases through to construction, commissioning, and ongoing process optimization. Our integrated approach ensures strategic alignment, technical precision, and long-term operational success for dairy and food processing manufacturing customers.

Read more

Products

Whilst our service is highly customised to each process and client we have the below products which are modular and can also be customised to suit all of our clients needs.

All Products

Services

We have an innovation department where we can take conceptual ideas through a R&D process to commercialise our customers needs. 

HPS then execute the implementation works as a turnkey solution. Our execution model is based on Engineering, Procurement, Construction and Management (EPCM). The Company works closely with its clients to evaluate, develop and implement engineering solutions for various requirements. HPS involvement starts from early conceptual planning moving through the feasibility phases to the completion of design, construction and commissioning.

Innovation

HPS provides innovative solutions in today's complex food market and delivers value added end to end solutions for our customers

Electrical Engineering

Our electrical engineers design HV, LV, and control systems, including single line diagrams and switchboard design, supporting the project execution team.

Automation

HPS can execute control of the process plant in various DCS or PLC logic and SCADA/HMI systems.

Project Engineering

Our Project engineers work on all parts of the design for new and existing manufacturing or processing facilities.

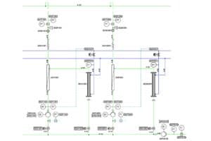
Process Engineering

Complete Process & Instrumentation Drawings (PID's) for all plant design including incorporated equipment specification within the drawing.

Project Management

Our projects require complete project management - we can work to Prince and Agile methodologies.

Hazardous Area Engineering

HPS Engineering undertakes works in Hazardous areas and ensures the design & installation complies to AS/NZS3000.

What our customers say

“HPS has been crucial to our success, providing the technical expertise we needed to understand the complexities of our project. Their flexibility and industry leadership give us confidence in our business model and the future profitability of our plant. We look forward to partnering with HPS again.”

Ben Anderson, CEO at Provico

“HPS has been a trusted partner from day one. They handled everything from the process to the boiler and air compressor, and their ongoing support has been exceptional. Even on a Saturday, they were there to solve a problem quickly. If we expand, HPS will be our first and only call.”

Glenn Falcke

Latest HPS news

Stay updated with the latest news and developments from HPS. Explore our recent projects, industry insights, and company achievements as we continue to innovate and expand globally.

Visit our blog